欢迎光临石家庄达弘机械设备有限公司官网!
产品咨询热线:15633586273
13303299575
联系我们

手机:15633586273

联系人:于经理

地址:河北省石家庄市高邑县高邑镇千秋路339号

扫码咨询
当前位置:首页>>技术知识

碳酸锂干燥系统解决方案

    编辑:石家庄达弘机械设备有限公司      时间:2025年04月14日
1、物料特性:

        碳酸锂,一种无机化合物,化学式为Li2CO3,为无色单斜晶系结晶体或白色粉末,密度2.11gcm3,熔点723℃。可用于制陶瓷、药物、催化剂等。是一种常用的锂离子电池原料。

        生产碳酸锂的主要原料有锂辉石、卤水和锂云母。碳酸锂为松散粉状,但流动性不好,根据生产原料和工艺的不同,干燥前含水量为8%-15%,要求干燥后产品含水量0.1%-0.4%。

2、专用干燥工艺:

        碳酸锂干燥具有以下特点和要求:物料松散,但流动性不好,耐温高;要求能源消耗低,物料受热均匀,操作环境好,一次性达到指标要求;电池级碳酸锂对干燥过程新增磁性物质要求较严(一般<30ppb)。而传统的热风干燥和新兴的微波干燥以及远红外干燥都具有各自的缺点而不是碳酸锂干燥的理想选择,如热风干燥具有能耗高(热效率仅30%-40%)、操作环境差(粉尘较大)等缺点,微波干燥具有设备投资大、物料干燥不均匀、加热过程中会发生“热斑”及“热失控”现象、部件易损坏等缺点,远红外干燥具有结构复杂受热不易均匀、能耗高等缺点。

        石家庄达弘机械设备有限公司根据物料分析及多年工程经验,成功将节能环保型盘式连续干燥机作为碳酸锂干燥设备,并已为多家此物料生产厂家提供了干燥系统解决方案。

        针对锂盐和电池材料行业对干燥后产品磁性物质的要求(一般要求在30ppb以内),我公司率先提出将盘式连续干燥机的接触物料部分(如布料盘、干燥盘、进出料口、耙叶等)由不锈钢改为钛材和非金属材质,并设计、改造了多家电池材料生产企业的干燥设备。若对干燥后产品磁性物质要求不严格,设备材质可选择304不锈钢或316L不锈钢。

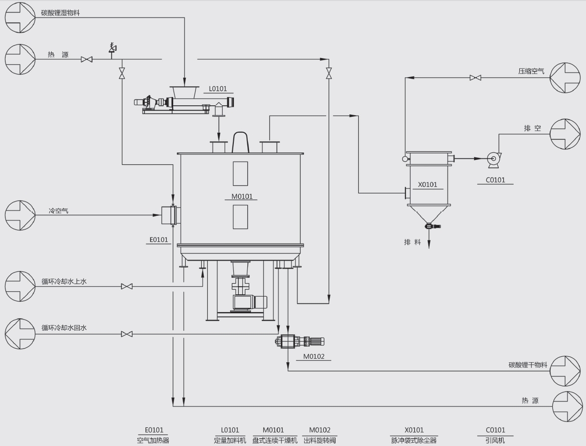
        工艺简介:由前道工序输送过来的碳酸锂湿料,由定量加料器连续定量地加入节能环保型盘式连续干燥机内进行干燥作业,物料在流动过程中完成传热传质过程,达到干燥的目的。干燥物料在干燥机内经冷却达到包装温度后(一般在40-60℃)由干燥机底部的排料口排出进入下一道工序,从物料中逸出的尾气由设在干燥机顶部的排湿口经除尘后排出。

3、工艺特点:

1)连续运行,热效率高。由于盘式连续干燥机为传导传热方式进行干燥,干燥过程中干燥机内不通入空气(或通入极少的空气),其尾气携带量很少,故其热效率可达85%以上;

2)物料损失少,操作环境好。在盘式连续干燥机干燥碳酸锂中,由于物料上进下出,物料分布也是上湿下干,且干燥尾气流速极低(约0.1ms),因此物料粉尘很难浮到设备顶部,很少会被尾气夹带排走,不仅不损失物料,而且不会污染环境,达到了环保的要求;整个干燥系统密闭操作,尾气采用特殊设计的除尘器,可回收99.9%以上的粉尘;

3)设备可调性强,物料干燥均匀可调。可通过调整设备转速、调整料层厚度、热源流量、热源温度、耙臂数量、耙叶形式、尺寸和角度、物料加入量和干燥机中干燥盘使用数量,能方便的调整物料干燥的效果;

4)针对电池材料行业对干燥后产品磁性物质的要求(一般要求在30ppb以内),我公司率先提出将盘式连续干燥机的直接接触物料部分由不锈钢改为钛材和非金属材质,并设计、改造了多家电池材料生产企业的干燥设备,达到了最终客户的要求。

5)设备运行稳定、寿命长、操作简单;

6)物料流向单一,无返混现象,干燥均匀、质量稳定、不需再混合;

7)每层干燥盘皆可单独通入热介质或冷介质,对物料进行加热或冷却,也可在一台设备内实现上部干燥下部冷却,物料温度控制准确、容易;

8)对于湿物料中的小颗粒,采用特制的碾碎装置加在干燥机内部的适当位置,从而碾碎小颗粒为粉状,可以强化传热和干燥过程,保证干燥物料的均匀性;

9)安装方便,占地面积小。干燥机整体出厂,整体运输,只需吊装就位,安装定位非常容易;由于干燥盘层式布置、立式安装,既使干燥面积很大,占地面积也很小。

10)采用专利技术,避免了干燥机内传动装置的打滑,使干燥机不损坏,正常运转。

11)干燥机上部设置布料装置,保证物料能够均匀分布到干燥盘上,防止物料由加料器直接落入干燥盘上损坏耙杆耙叶和布料不均匀的问题。

12)针对物料流通量较大的盘式连续干燥机,我公司对干燥进行特殊设计,防止湿物料直接掉落到底盘导致产品水分不合格。

碳酸锂干燥系统工艺流程图





相关产品/ RELATED PRODUCTS
在线客服
联系方式

于经理

15633586273

13303299575

yuyang507@126.com

上班时间

周一到周日

二维码
线