欢迎光临石家庄达弘机械设备有限公司官网!
产品咨询热线:15633586273
13303299575
联系我们

手机:15633586273

联系人:于经理

地址:河北省石家庄市高邑县高邑镇千秋路339号

扫码咨询
当前位置:首页>>技术知识

氯化锂干燥系统解决方案

    编辑:石家庄达弘机械设备有限公司      时间:2025年04月17日

1、物料特性:

        氯化锂是白色的晶体,具有潮解性,味咸,易溶于水,乙醇、丙酮、吡啶等有机溶剂,低毒类。但对眼睛和粘膜具有强烈的刺激和腐蚀作用。氯化锂主要用于空气调节领域,用作助焊剂、干燥剂、化学试剂,并用于制焰火、干电池和金属锂等。

        工业上主要由锂云母、锂辉石以及提取NaClKCI后的盐卤水中提取。

        氯化锂为白色松散粉状,但流动性不好,根据生产原料和工艺的不同,干燥前含游离水量为3%~5%左右,要求干燥后产品含水量0.3%左右。

2、专用干燥工艺:

        氯化锂干燥具有以下特点和要求:物料松散,但流动性不好;耐温高;氯化锂在水中溶解度大,常规的干燥水分不容易蒸发出来;物料干燥过程中易结疤;要求能源消耗低,物料受热均匀,操作环境好,一次性达到指标要求。

        石家庄达弘机械设备有限公司根据物料分析及多年工程经验,成功将节能环保型盘式连续干燥机作为氯化锂干燥设备,并已为多家此物料生产厂家提供了干燥系统解决方案。

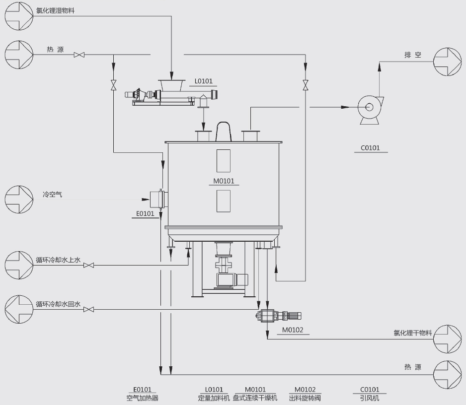
        工艺简介:离心机离心分离的无水氯化锂湿品,由定量螺旋加料器连续定量地加入节能环保型盘式干燥机进行干燥作业,物料在流动过程中完成传热传质过程,达到干燥的目的。干燥物料在干燥机内经冷却达到包装温度后(一般在40-60℃)由底部的排料口排出进入包装设备进行包装,从物料中逸出的尾气由设在干燥机顶部的排湿口经除尘后排出。

3、工艺特点:

1)连续运行,热效率高。由于节能环保型盘式连续干燥机为传导传热方式进行干燥,干燥过程中干燥机内不通入空气(或通入极少量的空气),其尾气携带量很少,故其热效率可达85%以上;

2)物料损失少,操作环境好。在节能环保型盘式连续干燥机干燥氯化锂中,由于物料上进下出,物料分布也是上湿下干,且干燥尾气流速极低(约0.1ms),因此物料粉尘很难浮到设备顶部,很少会被尾气夹带排走,不仅不损失物料,而且不会污染环境,达到了环保的要求;整个干燥系统密闭操作,尾气采用特殊设计的除尘器,可回收99.9%以上的粉尘;

3)设备可调性强,物料干燥均匀可调。可通过调整设备转速、调整料层厚度、热源流量、热源温度、耙臂数量、耙叶形式、尺寸和角度、物料加入量和干燥机中干燥盘使用数量,能方便的调整物料干燥的效果;

4)设备运行稳定、寿命长、操作简单;

5)物料流向单一,无返混现象,干燥均匀、质量稳定、不需再混合;

6)采用特制耙叶装置,使物料不易在干燥盘上粘结;

7)每层干燥盘皆可单独通入热介质或冷介质,对物料进行加热或冷却,也可在一台设备内实现上部干燥下部冷却,物料温度控制准确、容易;

8)对于湿物料中的小颗粒,采用特制的碾碎装置加在干燥机内部的适当位置,从而碾碎小颗粒为粉状,可以强化传热和干燥过程,保证干燥物料的均匀性;

9)安装方便,占地面积小。干燥机整体出厂,整体运输,只需吊装就位,安装定位非常容易;由于干燥盘层式布置、立式安装,既使干燥面积很大,占地面积也很小。

10)由于氯化锂湿料中水的沸点较大(常压下远高于100度),本设计采用高温的导热油作为热源,保证了在较短时间内(30分钟左右)一次性干燥物料,并减少了设备的投资。

工艺流程图:



相关产品/ RELATED PRODUCTS
在线客服
联系方式

于经理

15633586273

13303299575

yuyang507@126.com

上班时间

周一到周日

二维码
线